Elektronischer Lenkungsdämpfer CBR 1000 RR (SC59) an Suzuki GSX 1200 Katana
Honda CBR 1000 RR (SC59) HESD-Lenkungsdämpfer der zweiten Generation
Elektronische Ansteuerung des Lenkungsdämpfers
Im vorliegenden Fall soll der Lenkungsdämpfer an eine Suzuki GSX 1200 Katana angebaut werden. Da von Seiten der Motorelektronik die Ansteuerung des Lenkungsdämpfers nicht gegeben ist, musste eine andere Lösung gefunden werden, die ursprüngliche Ansteuerung des Lenkungsdämpfer über die CDI-Einheit zu ersetzen:
- Autarke Ansteuerung des Lenkungsdämpfers
- Die Dämpfung sollte auch während der Fahrt bei hoher Geschwindigkeit einfach einstellbar aber auch komplett abschaltbar sein.
Ansteuerung des Lenkungsdämpfers
Nach einiger Recherche im Internet bin ich auf irgendeinem Honda-Link auf ein Dokument gestoßen, dass die Dämpfungscharakteristik des HESD beschreibt.
Das ECM berechnet anhand des Geschwindigkeitssensorsignals (vom VSS) die Fahrgeschwindigkeit sowie die sich aus der Geschwindigkeitsänderung ergebenden Beschleunigungsrate und spricht das Linearmagnetventil mit einem auf diesen Werten basierenden Steuerstrom an, welches seinerseits das Hauptventil betätigt und so die Dämfungseigenschaften des HESD bestimmt.
Danach war klar, wie eine Steuerung des Lenkungsdämpfers aussehen musste und dass es relativ einfach werden wird, den HESD elektronisch anzusteuern.
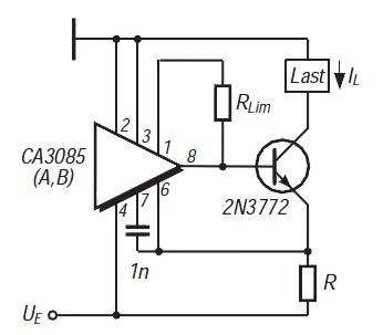
Zur Realisierung des notwendigen Steuerstroms wurde daher folgende Schaltung aufgebaut. Die Schaltung besitzt den Vorteil, dass sie einen konstanten Steuerstrom über einen hohen Temperatur- (-55 ... 125°C) als auch einen hohen Eingangsspannungsbereich (7 - 30 V) liefert.

Bauteilliste:
IC = CA 3085
RLim = 6,8 Ohm
C = 1 nF
T1 = NPN BD435, 2N3772 o. ähnl.
Last = entspricht in diesem Fall dem Lenkungsdämpfer, Strom I = 1,6 V / R [in Ohm]
Der Widerstand R dient der Einstellung des Steuerstroms und soll daher in diesem Fall als Potentiometer umgesetzt werden. Das Potentiometer wird später am Lenker angebracht, damit eine Einstellung auch während der Fahrt möglich ist.
Spannungsregler CA 3085

Die monolithisch integrierten Schaltkreise CA 3085, CA 3085A und CA 3085B unterscheiden sich vor allem hinsichtlich ihrer maximalen Eingangsspannung.
CA 3085: 7 - 30 V
CA 3085A: 7 - 40 V
CA 3085B: 7 - 50 V
Ihre Schaltungen bestehen aus 14 Transistoren, sieben Dioden und fünf Widerständen.
Der Einsatztemperaturbereich liegt zwischen -55 ... 125°C.
Die Schaltung setzt sich aus den Funktionsblöcken
- Anlaufschaltung
- Referenzspannungsverstärker
- Stromquelle
- Frequenzkompensierter Regelverstärker
- Ausgangsstufe und
- Strombegrenzung
zusammen.
Die Schaltkreise sind ein- und ausgangsseitig kurzschlussfest, besitzen eine temperaturkompensierte Referenzspannungsquelle, deren Spannung an Pin 5 geführt ist, sowie die Möglichkeit der Ausgangsstrombegrenzung. Die Einschaltzeit beträgt typisch 1µs, die Ausschaltzeit typisch 3 µs (Ue = 25 V, Ausgangsstromänderung 500 mA).
Daher können mit diesem Schaltkreis vielfältige Schaltanwendungen realisiert werden.
Die in der Abbildung oben dargestellte Konstantstromquelle eignet sich für Ströme bis ca. 2 A.

Leistungstransistor BD 435
Die technischen Daten des Transistors können einem allgemeinen Datenblatt entnommen werden.